



פרויקט גלגל כפול 75MM יציקת ברזל לעומס 2 טון
פרויקט גלגל כפול 75MM יציקת ברזל לעומס 2 טון
פתח תקווה
נחשון 12
4900602 פתח תקווה
ישראל
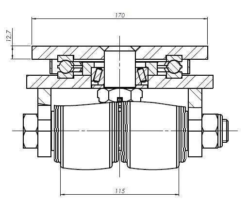
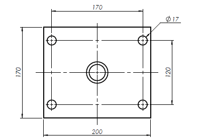
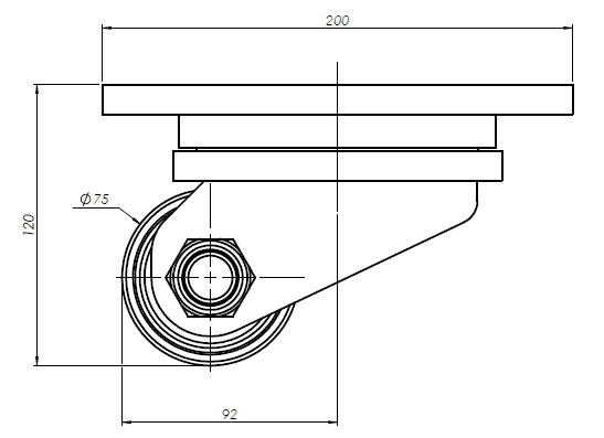
פרויקט עבור לקוח שהיה מוגבל בגובה עבור עגלות צביעה במשקל 6 טון, הלקוח ביקש שהעגלות ינועו בקלות ולכן הומלץ על גלגל כפול יציקת ברזל CAST IRON, אשר עמיד בכימקלים וחומצות. מיסב BALL BEARING אטום, עוד ביקש הלקוח כי הגלגלים צריכים לעמוד בחום של עד 300 מעלות במשך זמן ממושך.
בחרו אפשריות
פרויקט עבור לקוח שהיה מוגבל בגובה עבור עגלות צביעה במשקל 6 טון, הלקוח ביקש שהעגלות ינועו בקלות ולכן הומלץ על גלגל כפול יציקת ברזל CAST IRON, אשר עמיד בכימקלים וחומצות. מיסב BALL BEARING אטום, עוד ביקש הלקוח כי הגלגלים צריכים לעמוד בחום של עד 300 מעלות במשך זמן ממושך.
פרויקט עבור לקוח שהיה מוגבל בגובה עבור עגלות צביעה במשקל 6 טון, הלקוח ביקש שהעגלות ינועו בקלות ולכן הומלץ על גלגל כפול יציקת ברזל CAST IRON, אשר עמיד בכימקלים וחומצות. מיסב BALL BEARING אטום, עוד ביקש הלקוח כי הגלגלים צריכים לעמוד בחום של עד 300 מעלות במשך זמן ממושך.
יצירת קשר
זמינים עבורכם לכל שאלה


























