



Flanged גלגל "6 יציקת ברזל למסילה
-
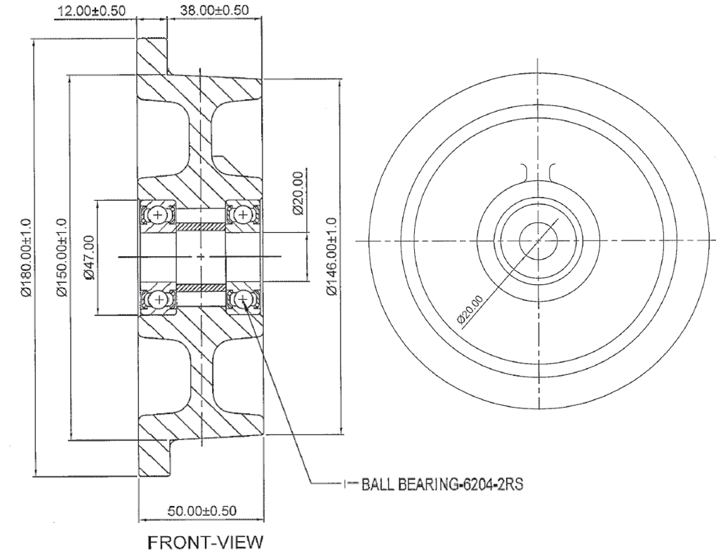
חומר גלגל יציקת ברזל עמיד וחזק למשקלים כבדים לשימוש אינטנסיבי ויום יומי.
-
Flanged -המדרך מיוצר בצורה מדויקת הנע בזווית-3° ביחס לציר הגלגל, לשיפור יציבות הסיבוב ויכולת התמודדות עם עומסים.
-
מסבים- מסבי BALL BEARING כפולים אטומים, לשינוע עומסים כבדים.
-
טווח טמפרטורה- עמיד בטווח טמפרטורות רחב של -100°C עד +600°C לשימוש בתנאים קיצוניים של חום וקור.
בחרו אפשריות
-
חומר גלגל יציקת ברזל עמיד וחזק למשקלים כבדים לשימוש אינטנסיבי ויום יומי.
-
Flanged -המדרך מיוצר בצורה מדויקת הנע בזווית-3° ביחס לציר הגלגל, לשיפור יציבות הסיבוב ויכולת התמודדות עם עומסים.
-
מסבים- מסבי BALL BEARING כפולים אטומים, לשינוע עומסים כבדים.
-
טווח טמפרטורה- עמיד בטווח טמפרטורות רחב של -100°C עד +600°C לשימוש בתנאים קיצוניים של חום וקור.
-
חומר גלגל יציקת ברזל עמיד וחזק למשקלים כבדים לשימוש אינטנסיבי ויום יומי.
-
Flanged -המדרך מיוצר בצורה מדויקת הנע בזווית-3° ביחס לציר הגלגל, לשיפור יציבות הסיבוב ויכולת התמודדות עם עומסים.
-
מסבים- מסבי BALL BEARING כפולים אטומים, לשינוע עומסים כבדים.
-
טווח טמפרטורה- עמיד בטווח טמפרטורות רחב של -100°C עד +600°C לשימוש בתנאים קיצוניים של חום וקור.
יצירת קשר
זמינים עבורכם לכל שאלה


























